搜索
网站首页
关于我们
产品中心
柔性传感器
方型光电传感器
超薄型光电传感器
槽型光电传感器
圆型光电传感器
接近传感器
光纤传感器
区域传感器
位移传感器
色标传感器
视觉系统
静电消除器
安全门开关
步进系统
气压表
应用方案
行业应用
解决方案
公司新闻
企业新闻
行业动态
加入我们
联系我们
PRODUCT
产品中心
首页
>
产品中心
>
接近传感器
>
圆柱型
>
电容式
>
电容式
产品中心
PRODUCTS
柔性传感器
柔性仿生手
电池安全监测柔性传感器
方型光电传感器
对射型
回归反射型
漫反射型
背景抑制型
超薄型光电传感器
槽型光电传感器
U8系列
U9系列
U7系列
N8系列
UHF8系列
UHF7系列
UHF9系列
U5系列
圆型光电传感器
接近传感器
圆柱型
电感式
电容式
方型
超小型
高速环形接近
光纤传感器
通用光纤
多头光纤
区域光纤
耐高温光纤
光纤放大器
颜色放大器
区域传感器
区域传感器-通用型
区域传感器-超薄宽面出光
位移传感器
色标传感器
视觉系统
静电消除器
风扇型静电消除器
棒型静电消除器
定点型静电消除器
高压电源供应器
安全门开关
2触点型电磁式安全门开关
4触点型电磁式安全门开关
方型电磁式安全门开关
多接点型安全门开关
安全门闩
磁吸开关
接近传感器(不带磁吸)
步进系统
步进驱动器
步进电机
气压表
数字气压传感器
集控型气压传感器
防水型数字气压传感器
气压表集控系统
工业信号指示
塔灯
柱灯
球灯
电容式接近传感器
特点
种类
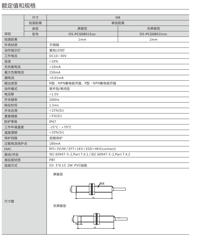
额定值/性能
外形尺寸
注意事项
产品资料下载
规格齐全,环境适应性强
响应速度快,高精准检测
定制外观,常开常闭一体设计
防水防油,灵敏度高,应用广
坚固可靠,稳定持久,寿命长
DC3线式
AC2线式
DC3线式
AC2线式
样本
手册·说明书
CAD
圆型电容式接近
上一篇:
第一页
下一篇:
最后一页
相关服务
/ TAGS
光电传感器,大深传感器
大深传感器,光电传感器
光电传感器
槽型光电传感器
方形光电传感器
方形光电开关
接近传感器
大深传感器
光纤传感器
传感器
接近开关
光纤传感器,大深传感器
大深DS-F系列光纤应用场景
柔性传感器
大深传感器,展会预告
多头光纤
强光
大深方型光电
大深传感,广州物流展
光电传感器应用
背景抑制光电传感器
大深传感,上海光伏展
视觉传感器
多头光纤传感器
抗干扰
槽型光电
大深传感2023年招聘启事
大深传感,大深展会
欧姆龙,大深传感器
M12
柔性触觉传感器
接近
大深DS-F
静电消除器,大深传感器
光电传感器电路原理
DS-U82
DS-U81
压电型压力传感器
大深传感器,光电开关
大深传感
大深传感
大深传感器,光纤传感器
大深传感
大深传感
大深传感
大深传感
大深传感科技
大深传感
搬迁公告
槽型光电开关,大深传感器
DS-U83
大深光电传感器
光电传感器品牌哪家好
自动化生产线光电传感器
光电传感器优点
光电传感器的原理
光纤传感器引用
DS-GD12
光电传感器发展趋势
光电传感器厂家
光电传感器应用领域
光电传感器特点种类
光电传感器技术
光电传感器原理
大深电传感器特点
DS-GD11